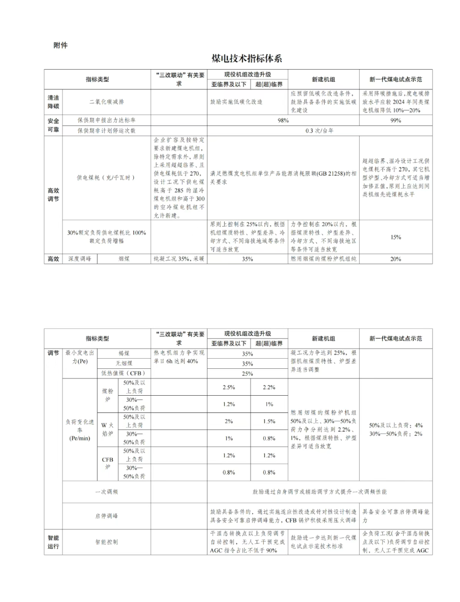
4月14日,国家发改委、国家能源局发布的《新一代煤电升级专项行动实施方案(2025—2027年》指出,到2027年,在难以满足电网快速调节需求的地区,改造和新建一批具有快速变负荷能力的煤电机组;在调峰有缺额的地区,改造和新建一批具有深度调峰能力和宽负荷高效调节能力的煤电机组;结合区域特点和资源禀赋,推动开展煤电低碳化改造建设。
以下为原文

国家发展改革委 国家能源局关于印发《新一代煤电升级专项行动实施方案(2025—2027年)》的通知
发改能源〔2025〕363号
各省、自治区、直辖市、新疆生产建设兵团发展改革委、能源局,北京市城市管理委员会,国家能源局各派出机构,国家电网有限公司、中国南方电网有限责任公司、中国华能集团有限公司、中国大唐集团有限公司、中国华电集团有限公司、国家电力投资集团有限公司、中国长江三峡集团有限公司、国家能源投资集团有限公司、国家开发投资集团有限公司、华润(集团)有限公司、中国中煤能源集团有限公司、中国国际工程咨询有限公司,中国电力企业联合会,电力规划设计总院、水电水利规划设计总院:
为深入贯彻党中央、国务院有关决策部署,落实《加快构建新型电力系统行动方案(2024—2027年)》有关要求,夯实煤电兜底保障作用,积极推进煤电转型升级,国家发展改革委、国家能源局制定了《新一代煤电升级专项行动实施方案(2025—2027年)》。现印发给你们,请认真组织落实。
国家发展改革委
国 家 能 源 局
2025年3月26日























