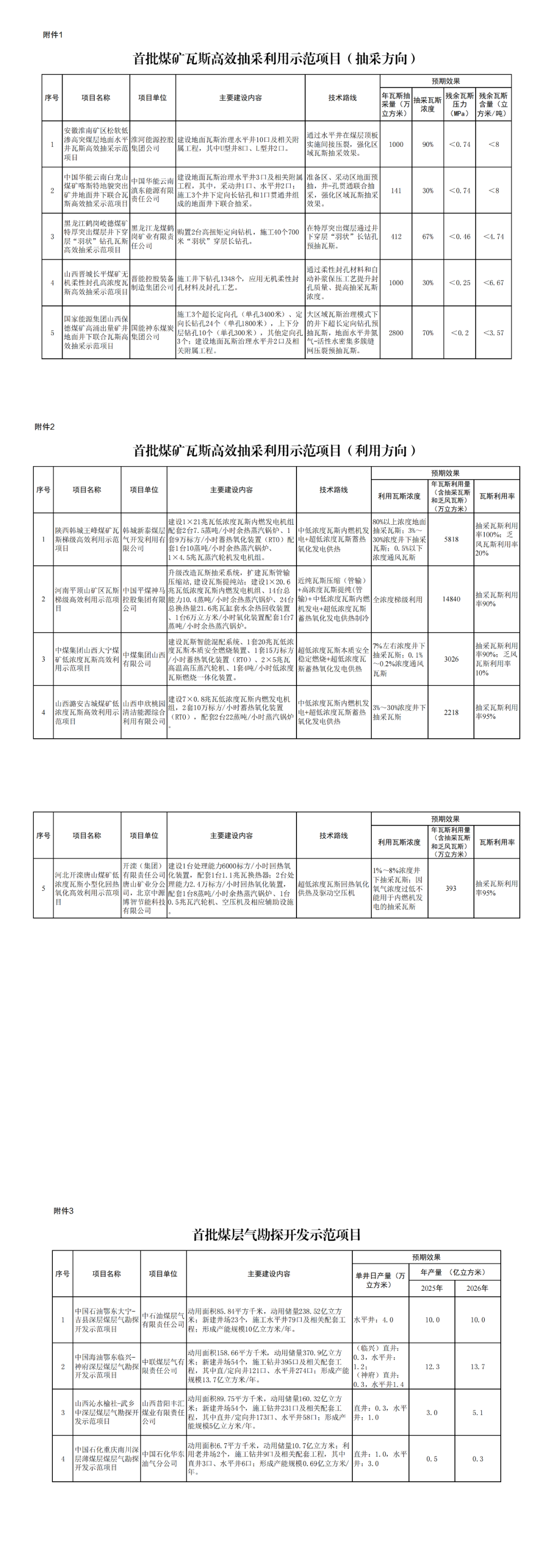
国家能源局网站1月3日消息,经项目单位申报,有关省级能源主管部门和中央企业汇总推荐,国家能源局组织专家评审,并公示征求各方面意见,决定将“安徽淮南矿区松软低渗高突煤层地面水平井瓦斯高效抽采示范项目”等14个项目列为首批示范项目。各有关单位要加快推进项目建设,扎实开展先进技术装备工艺的研发应用,确保技术示范取得预期效果。
以下为原文

国家能源局公告
2023年第7号
为充分发挥技术示范引领带动作用,提升煤层气(煤矿瓦斯)抽采利用的资源、安全、生态多重效益,国家能源局组织开展了煤矿瓦斯高效抽采利用和煤层气勘探开发示范项目申报和评选工作。现将有关事项公告如下。
一、经项目单位申报,有关省级能源主管部门和中央企业汇总推荐,国家能源局组织专家评审,并公示征求各方面意见,决定将“安徽淮南矿区松软低渗高突煤层地面水平井瓦斯高效抽采示范项目”等14个项目列为首批示范项目。各有关单位要加快推进项目建设,扎实开展先进技术装备工艺的研发应用,确保技术示范取得预期效果。
二、示范项目实施定期报告制度,各项目单位每月通过汇总申报单位向国家能源局(煤炭司)报告示范进展情况。
三、示范项目建成并具备验收条件后,由项目单位向汇总申报单位提出验收申请,汇总申报单位提出初审意见报国家能源局,按照《煤矿瓦斯高效抽采利用和煤层气勘探开发示范工作规则(试行)》(国能综通煤炭〔2023〕85号)有关要求开展验收评价工作。
特此公告。
附件:
1.首批煤矿瓦斯高效抽采利用示范项目(抽采方向)
2.首批煤矿瓦斯高效抽采利用示范项目(利用方向)
3.首批煤层气勘探开发示范项目
国家能源局综合司
2023年12月22日

消息来源:国家能源局网站














