5月24日,美妆博主“大嘴博士”发布博文、视频称,护肤品牌可复美的一款名为重组胶原蛋白精华的明星产品涉嫌造假,该款产品的重组胶原蛋白真实添加量仅为0.0177%。相关话题在上周末一度冲上热搜。
对此,同一日,可复美在品牌公号上发布声明称,针对所谓“巨子生物涉嫌严重造假”“重组胶原测不到”等不实指控,“我们予以严正驳斥并坚决否认”。同时该公司表示,事发第一时间,公司对相关产品进行检测,多批次检测结果胶原蛋白含量均大于0.1%,与网传的“0.0177%添加量”严重不符。
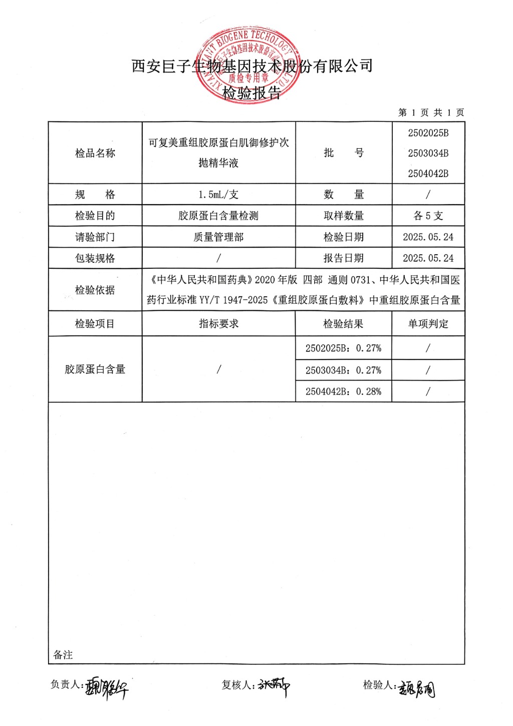
按照我国化妆品标签标识规范要求,凡标注为“非微量添加”的成分,其添加量必须高于0.1%。
受到上述消息影响。5月26日,巨子生物(02367.HK)开盘跌超8%,收盘后跌幅收窄至4.04%。5月27日收盘,股价报收68.65港元,下跌近7%,创下近一个月来新低。
重组胶原蛋白含量目前尚未有行业标准
公开信息显示,“大嘴博士”原名郝宇,在抖音、小红书、微博平台共计拥有超280万粉丝,是美妆领域知名的专业KOL。据“大嘴博士”抖音账号简介,其为香港大学化学博士,曾任欧莱雅中国科学传播负责人,拥有17年化妆品研发及科普知识。
该博主此次对于巨子生物及旗下品牌提出多处质疑,首先是其团队经检测,可复美重组胶原蛋白次抛精华液产品中重组胶原蛋白真实添加量仅为0.0177%,但产品成分标注在“非微量成分”里,按规定理论添加量应在0.1%以上,质疑该产品是否符合法规。其次,博主称,在这款产品中也未检测出胶原蛋白的必需元素——甘氨酸。此外,他还提出,可复美涉及对科学概念的肆意滥用和夸大宣传等。

涉事品牌方可复美于当日发布声明。公司方面称,已参考《中华人民共和国药典》及中华人民共和国医药行业标准YY/T 1947-2025 《重组胶原蛋白敷料》中重组胶原蛋白含量的检测方法对相关产品进行检测,多批次检测结果胶原蛋白含量均大于0.1%。

可复美方面表示,目前已经委托多家权威第三方检测机构对该相关产品采用多种检测方法进一步进行检测,而检测需要时间,公司在拿到最新检测报告后会第一时间公布。
同时,可复美方面也提出,目前由于化妆品中的重组胶原蛋白含量还没有行业标准及国家标准,此次检测是参考中华人民共和国医药行业标准YY/T 1947-2025 《重组胶原蛋白敷料》中重组胶原蛋白含量的多种检测方法进行检测。
“截至目前,对方尚未向我们索要该重组胶原蛋白原料,我们也尚未对外提供或出售该原料,对方是无法进行其所采用检测方法的方法学验证的。”可复美方面表示。
25日,“大嘴博士”在其公号上反驳称,“巨子生物在声明中说我未向其索要重组胶原原料,进而质疑我的检测结果。这是一种误导大众的说法,暗示检测重组胶原含量必须依赖巨子提供的原料。我们所检测的是你的产品,不是你的原料,产品直接就可以从官方店铺购买,即可进行检测,根本无须企业提供原料。”
此外,该博主提出,“巨子生物目前是行业内唯一一家完全自产自销重组胶原蛋白的企业,从不对外销售原料。这种不向外部销售原料的做法,很有可能蕴藏着更大的风险,因为这在客观上造成了外部机构和同行很难对其重组胶原原料进行独立验证和同行评议,也不可能经历成熟的大品牌和跨国公司对整个供应链的调试和修正。”
截至记者截稿,可复美品牌与巨子生物还未对此作出回应。
化妆品经营管理专家、美云空间电商创始人白云虎向记者表示:“巨子生物,作为被质疑的当事主体,截至目前为止,还停留在‘检测方式’的问题,本身也是一个‘不合理’的回复。特别是,作为近期行业关注、股价持续走高、创始人话题等不断上热搜的头部企业,在应对此类涉及产品品质、成分效果、用户利益等问题上,应该有更多合理的‘证据’来证明产品品质符合法规要求。”
化妆品界的下一个风口
重组胶原蛋白是当下的热门赛道。根据弗若斯特沙利文《2024年胶原蛋白市场研究报告》,中国重组胶原蛋白市场2021年规模已达108亿元,预计2030年将激增至2193.8亿元,年复合增长率达44.93%。
巨子生物是中国重组胶原蛋白领域的龙头企业,成立于2000年其发家主要依托重组胶原蛋白的生物制造、高活性天然产物的生物制造、新型生物医用材料研发与制备三大技术体系。
2019年至2024年,巨子生物营收从9亿元涨至55亿元,5年5倍多,同期净利润也从5.5亿元增至20.6亿元。根据财报,巨子生物2024年实现收入55.39亿元,同比增长57.2%,增速创5年新高;归母净利润20.62亿元,同比增长42.1%。
从品类上来看,化妆品如今已经成为巨子生物的第一营收板块。其中,核心品牌可复美主打医用敷料和术后修复,代表性产品包括重组胶原蛋白敷料、修护次抛精华等,覆盖皮肤修护、抗敏、祛痘等功能。可丽金则定位中高端抗衰老市场,产品包括抗皱精华霜、赋能次抛精华等。
财报显示,2024年,可复美创收45.4亿元,同比高增长62.9%,其中核心大单品“胶原棒”在2024年双十一中,蝉联天猫面部精华、液体精华及修复精华类目TOP1,同时登顶抖音液体精华类目TOP1,市场头部地位稳固;可丽金创收8.4亿元,同比增长36.3%;其他品牌1.4亿元,同比增长34%。
与业绩正相关的是巨子生物这两年在资本市场的表现。近两年,重组胶原蛋白正在取代玻尿酸,成为医美领域的热门成分。因此,主打重组胶原蛋白的巨子生物也成为市场的心头好。在此次舆论事件发酵之前,2025年以来,凭借一张面膜上演造富神话的巨子生物股价年内涨幅近70%。5月中旬,巨子生物创始人夫妇范代娣与严建亚以超440亿元的身价,超越隆基绿能李振国夫妇,成为新一任陕西首富而范代娣则是近日热搜“高校副校长成为陕西省首富”的当事人。
虽然业绩不断攀升,但该公司的销售费用也较高。财报显示,2024年巨子生物的销售及经销开支达到20亿元,同比增长72.5%。同期,研发支出1.07亿元,同比增长42.1%,研发支出占收入比例1.9%。巨子生物解释称,销售开支的增长主要是由于随着在线直销渠道的快速发展,为了更好地支持业务增长和提升品牌影响力,在在线营销方面进行了相应投入。
今年4月,有媒体报道称,消费者在使用了可复美品牌的敷料产品后,脸部出现发硬和肿胀的情况,该消费者将同款产品送检后,报告显示检测出了表皮生长因子(EGF)。据相关规定,EGF不得作为化妆品原料使用。4月12日,可复美在官方微博发布回应,否认被投诉产品含有人表皮生长因子,并强调旗下所有产品均未添加该成分。4月17日,陕西药监局发布通报称可复美产品未检测出存在EGF。














